

功能特点
1.键盘总成由特种PC/ABS键框和双色按键组成.产品具有很好的防暴性、防腐蚀性以及防水性。特别是在恶劣的环境下,也可以很好的操作。
2.人性化的键面布局,按键表面是采用双色注塑工艺,以便更好的操作,长久的使用也不会使字符脱落或者磨损。按键表面字符和图案可以根据客户要求定制
3.键盘采用独特的封闭膜安装设计,具有很好的防水防尘功能。
4.键盘PCB板为双面化金板,硅胶导电碳粒接触,接触可靠.
5.按键字符和图案采用二次注塑成型工艺,文字脱落,掉色。
6.导电橡胶采用天然硅橡胶制作,耐磨、耐腐蚀,抗老化
7.按键有带英文和无英文二种可选。
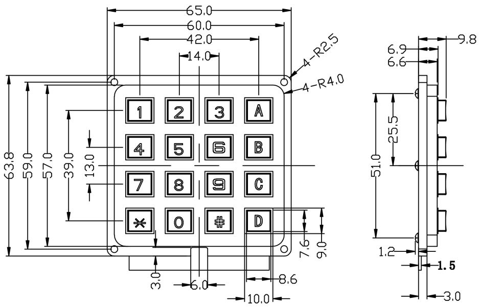
8.4X4键盘设计,10个数字键,6个功能键.按键布局都可以根据客户的要求重新设计。
9.输出接口有USB,PS/2,,RS232,XH排插(可选),
10.嵌入式安装,安装简单方便。
11.产品通过CE认证.
技术参数
|
使用寿命 |
≥200万次/每键 |
|
按键压力 |
200g/2N |
|
按键行程 |
1.5mm(毫米) |
|
接触电阻 |
≤100Ω |
|
触点容量 |
直流电压5V;电流≈20mA |
|
工作温度 |
-25℃~+65℃ |
|
工作相对湿度 |
30%-90%RH(无凝结) |
|
储存温度 |
-40℃~+85℃ |
|
大气压力 |
60-106Kpa |
|
防水等级 |
IP65 |
|
防暴标准 |
IK08 |
|
按键尺寸 |
8.4X7.4mm(毫米) |
|
按键的开关技术 |
硅胶导电碳粒/化金PCB |
包装明细
外箱尺寸:42×35×11.5 cm
1箱数量:160PCS
关于我们
售后服务
在非人为破坏的情况下,我司负责1年内免费维修




